Page 489 - Buku Materi Pembelajaran Rangkaian Listrik II dan Praktikum
P. 489
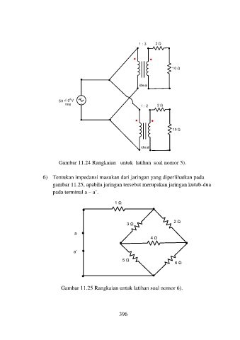
1 : 3
ideal
0 +
0
50 rms V - 1 : 2
ideal
Gambar 11.24 Rangkaian untuk latihan soal nomor 5).
6) Tentukan impedansi masukan dari jaringan yang diperlihatkan pada
gambar 11.25, apabila jaringan tersebut merupakan jaringan kutub-dua
pada terminal a – a’.
a
a
Gambar 11.25 Rangkaian untuk latihan soal nomor 6).
396

