Page 47 - เอกสารหลักสูตรสรรพาวุธเบื้องต้น วิชาระบบการรบและระบบเครื่องควบคุมการยิงแบบเรดาร์
P. 47

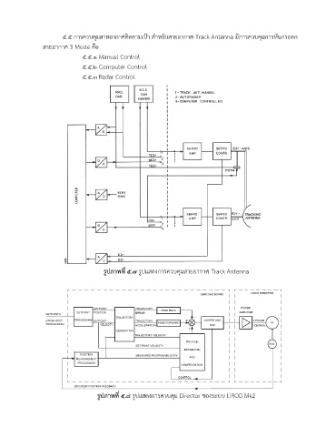
๕.๕ การควบคุมสายอากาศติดตามเปูา ส าหรับสายอากาศ Track Antenna มีการควบคุมการหันกระดก
                 สายอากาศ 3 Mode คือ

                               ๕.๕.๑ Manual Control
                               ๕.๕.๒ Computer Control
                               ๕.๕.๓ Radar Control









































                                       รูปภาพที่ ๕.๗ รูปแสดงการควบคุมสายอากาศ Track Antenna

























                                    รูปภาพที่ ๕.๘ รูปแสดงการควบคุม Director ของระบบ LIROD Mk2
   42   43   44   45   46   47