Page 4 - электросхема камаз евро5
P. 4
FU1 FU2 FU3 FU4
65111-3700002-60Э3
FU11 FU12 FU13 FU8 FU9 FU10
K52
10/52 10/14 10/44 60А 90А 90А 60А /10.84 20А 20А 20А 20А 20А 20А K1
1.00 mm² Ж GND 30010 30010 A1 F7 F7 F7 F7 F7 85 86 30 87 87a
W65Б F5 87 86 85 30 88 F7 X29 1 X29 5 X29 4
X14 1 1 X8 1 X18
X235 8 X235 6 X235 4 X235 2 /C /F
K17 48 5 11/53
А 2 ЖК 1 3 2 4 5 7 6 8 9 11 10 12 1 3 2 4 5 7 6 8 9 11 10 12
X13 1 X39 1 XS12 1 X319 1 X42 1 48 5 2 4 8 12 4 8 12 ЗК ЧК
Б 1 К К К 1.00 mm² ЧБ 0.75 mm² Ч Ч X22 X20 X24 X24 X24 X24 X26 X26 X26 15010 0.75 mm² 1.50 mm²
4.00 mm² 10.00 mm² 6.00 mm² W65Е 1.00 mm² 1.00 mm² FU1
X14 К 2 X311 1 X312 1 W65Д ЧБ 0.75 mm² Б 2.50 mm² Б Ф 2.50 mm² Ф Ф Ф 2.50 mm² ОР W11А W10В
1.50 mm² 50.00 mm² К К 6.00 mm² W1Ф W1И W1Г 30000 c X10 W65Ж W65И ЖК 2.50 mm² 2.50 mm² 2.50 mm² 0.75 mm² 25А F7
W65В 10/31 10/8 W1У 30010 30000 W65Д 0.75 mm² W3Г W3В W3Д W3Е W3Ж W3И W3Б K36
W4 9/98 10/8 9/86 Ж W65А H X11 1.50 mm² К
30000 30010 18/17 10/85 1.00 mm² #806 #806 12 X20 8 X25 2 X25 8 X27 2 X27 1 X48
W1Е 10.00 mm²К W1В
30010 15010 #781 10/117 10/9 W65Б 10/66 10/53 ЧБ X20 6 /12 /8 /2 /8 /2 /1 24 87 86 85 30 88 1 3 1 2 4
X31
10.00 mm² ОЗ #858 30010 GND 0.75 mm² /10.65 X35 8 X35 6 X35 4 X35 2
К
1 X17 1 X5 КчЖ 6 /F F E E A A D / B 24 X1347
+ G3 11/7 1.00 mm² 0.75 mm² Ч /11.98 Ч
W1 1.50 mm² К 10/6 1 X286 W65 A1 1.50 mm² Б
- 50.00 mm²
W2 W7 W10Б 2.50 mm² 2.50 mm² Б
Подп. и дата 50.00 mm² Ч 1 X7 1 X36 W1А 1.00 mm²К c X11 k X10 W10Б 1 X295 W4В 1 X290 14/118 S6 /B 13 /C 13 W1П W1П
X4
1
W4А В1+ В2+ G1 Кч 1.00 mm² 0.75 mm² О 50 30 30 30 CB3 GND 1 + X31 13 X22 13 #858 30010 2.50 mm² О Ф 0.75 mm² 0.75 mm² Ч
1 X3 DFM X37 M1 X287 10/36 11/4
Инв. N дубл. + - G2 DF Regler BS 4 3 2 X37 W2Б W7А SR Ч Ч Ч Ч Ч Ч Ч 1.50 mm² 0.75 mm² Ч ОЗ W1Д W81Б W81Е
15
X37
W L HW EW 1.00 mm² 0.75 mm² 1.00 mm² 1.00 mm² 1.00 mm² 1.00 mm² 0.75 mm²
X2 Ч 1 W71А#1 W102П W7
Взам. инв. N 50.00 mm² W4Б М W80З GND W55И GND W110Б GND W112В GND W81А GND W71А GND #781 #805 15000 9/102 15010 11/61 GND 11/63
Подп. и дата GND 1 X156 13/78 12/60 11/131 11/130 11/62 17/61 GND 1 X315 10/30 11/42
1 1 5 10 15 20 25 30 35 40 45 50 55 60 65 70 75 80 85 90 95 100 105 110 115 120 125 130 135 140 145 150 155 160
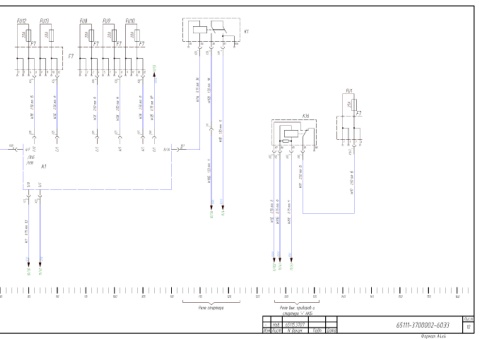
Инв. N подл. Выключатель АКБ Генератор Стартер Реле вкл. "+" АКБ дистанционного вык. Реле стартера Реле вык. приборов и Лист
Кнопка
стартера "+" АКБ
АКБ
массы
Нов. 65115.3707
-
Изм Лист N докум. Подп. Дата 65111-3700002-60Э3 10
Формат А4x4

