Page 321 - OEM RIGGING AND ACCESSORIES GUIDE (US-2017)
P. 321

INSTALLATION SPECIFICATIONS AND TOOLS
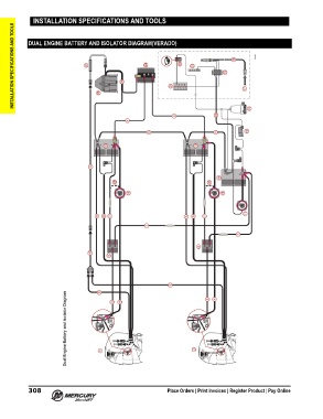
      INSTALLATION SPECIFICATIONS AND TOOLS  DUAL ENGINE BATTERY AND ISOLATOR DIAGRAM(VERADO)




















































































            308                                                 Place Orders | Print Invoices | Register Product | Pay Online
   316   317   318   319   320   321   322   323   324   325   326