Page 742 - LATIN AMERICA ACCESSORIES GUIDE (2019) English
P. 742
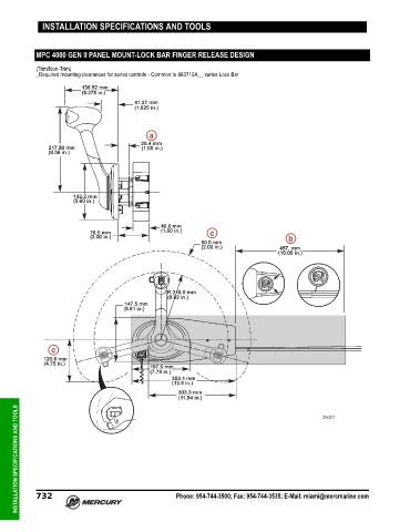
INSTALLATION SPECIFICATIONS AND TOOLS
MPC 4000 GEN II PANEL MOUNT-LOCK BAR FINGER RELEASE DESIGN
(Trim/Non‑Trim)
_Required mounting clearances for series controls ‑ Common to 883710A__ series Lock Bar
INSTALLATION SPECIFICATIONS AND TOOLS 732 Phone: 954-744-3500; Fax: 954-744-3535; E-Mail: miami@mercmarine.com

