Page 247 - AutoCAD Dalam KEJURUTERAAN ELEKTRIK Dan ELEKTRONIK
P. 247

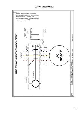
LATIHAN KEMAHIRAN 11.5




















































































                                                                                                            235
   242   243   244   245   246   247   248   249   250   251   252