Page 759 - Latin America Accessories Guide (2020) - 8M0163252
P. 759
INSTALLATION SPECIFICATIONS AND TOOLS
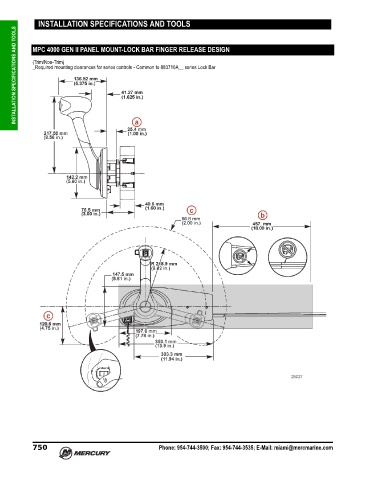
INSTALLATION SPECIFICATIONS AND TOOLS MPC 4000 GEN II PANEL MOUNT-LOCK BAR FINGER RELEASE DESIGN
(Trim/Non‑Trim)
_Required mounting clearances for series controls ‑ Common to 883710A__ series Lock Bar
750 Phone: 954-744-3500; Fax: 954-744-3535; E-Mail: miami@mercmarine.com

