Page 753 - US ACCESSORIES GUIDE (2019)
P. 753
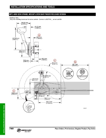
INSTALLATION SPECIFICATIONS AND TOOLS
MPC 4000 GEN II PANEL MOUNT-LOCK BAR FINGER RELEASE DESIGN
(Trim/Non‑Trim)
_Required mounting clearances for series controls ‑ Common to 883710A__ series Lock Bar
INSTALLATION SPECIFICATIONS AND TOOLS 740 Place Orders | Print Invoices | Register Product | Pay Online

