Page 270 - Quicksilver Product Guide (2020) - 8M0163242
P. 270

INSTALLATION SPECIFICATIONS AND TOOLS



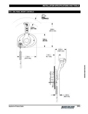
             DTS - ERC PANEL MOUNT CONTROLS

















































































             Quicksilver Product Guide                                                                      261       QUICKSILVER® RIGGING
   265   266   267   268   269   270   271   272   273   274   275