Page 267 - Quicksilver Product Guide (2020) - 8M0163242
P. 267

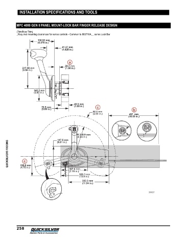
INSTALLATION SPECIFICATIONS AND TOOLS



            MPC 4000 GEN II PANEL MOUNT-LOCK BAR FINGER RELEASE DESIGN

            (Trim/Non‑Trim)
            _Required mounting clearances for series controls ‑ Common to 883710A__ series Lock Bar









































      QUICKSILVER® RIGGING

































            258
   262   263   264   265   266   267   268   269   270   271   272