Page 103 - Mercury Service Tool Guide (2020) - 8M0163249
P. 103
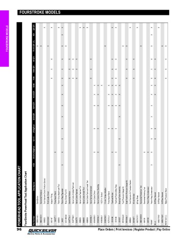
FOURSTROKE MODELS
FOURSTROKE MODELS 225 EFI 150 75-115 EFI 1.7L X X X X X X X X X X X X X X X X X X X X X X X X X X X
115 EFI X X X X X X X X X X X X X
75/90 EFI X X X X X X X X X X X X X
75/90 X X X X X X X X X X X X X
50/60 X X X X X X X X X X
40-60 EFI X X X X X X X X X
30/40 EFI X X X X X X X X
25/30 EFI X X X
25 BigFoot X X X X X X X X
9.9-15 X X X X
8/9.9 9.9 BigFoot X X X X X X X X X
4/5/6 X X X
POWERHEAD TOOL APPLICATION CHART
FourStroke Powerhead Tool Application Chart
Description Test Harness-Crank Position Sensor Valve Guide Installer/Remover Valve Guide Remover/Install Tool Dual Fuel/Air Pressure Gauge Kit Test Harness-Oil Pressure Sensor
Cam Brake Crankshaft Retainer Rod Guide Dowel Adapter Fitting Powerhead Stand Piston Vice Attachment Tool Piston Ring Expander Hose Clamp Tool Kit Crankshaft Holder Valve Guide Reamer Valve Guide Reamer Tool Valve Guide Install Tool Valve Spring Compressor Valve Guide Driver Valve Guide Driver Bushing 1.625 In. Socket 13 mm Torque Adapter Powerhead Stand Flywheel Holder Flywheel Puller/Lifting Ring Bearing Puller Assembly Fuel Pressure G
Part Number 91-896911A01 91-8M0044311 91-888863 8M0042904 22-883147 91- 13662T 1 91-888868 91- 24697 91-803146A04 91-804770A 1 91-804774001 91-804775 91-888866 91-888865 91-888864 91-809494A 1 91-809495001 91-809496A 1 91-809646A 1 91-809905001 91-827001A 1 91- 83163M 91- 83164M 91- 83165T 91-881833A03 91-881834A 1 91-888860 91-881847T 91-883705T01 91-8M0146503 91-895191 91-895192 FT2997 N.L.A. 91-889277002 91-889277Q01 8926
96 Place Orders | Print Invoices | Register Product | Pay Online

