Page 180 - Installation Manual - GenII DTS
P. 180
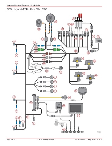
Helm Architecture Diagrams: Single Helm
QESH Joystick/ESH ‑ Zero Effort ERC
27
22
25 26
21 24 30
31 32
20 23 28 29
4
19
18
17 34
X 33
5 16
35
15
LCM 36
5
X 14 LCM
3 13
12 37
LCM 38
11
LCM
11
11
11 39
2 40
10
41
X
5
42
8
5 6
X H
7
9
1
43
71169
Page 6A-30 © 2021 Mercury Marine 90-8M0161677 eng MARCH 2021

