Page 37 - РЕЛЕ ҲИМОЯСИ БЎЙИЧА УМУМИЙ ТУШУНЧАЛАР
P. 37

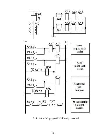
2.14 – rasm. Uch pog‘onali tokli himoya sxemasi.








                                                                39
   32   33   34   35   36   37   38   39   40   41   42