Page 249 - AutoCAD Dalam KEJURUTERAAN ELEKTRIK Dan ELEKTRONIK
P. 249

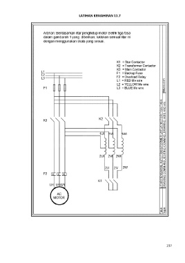
LATIHAN KEMAHIRAN 11.7




















































































                                                                                                            237
   244   245   246   247   248   249   250   251   252   253   254