Page 20 - электросхема камаз евро5
P. 20
65111-3700002-60Э3
18/75
FU6 K43 K41 K42 /18.62 /18.115 14/125
/17.123 #627 /18.122 /19.109
/17.137 /18.115
5А /19.19 #138 Ч Г
E19 З P1 P1 0.75 mm² 0.75 mm²
F3 FU12 FU13 0.75 mm²
A1 P1
1 2 87 86 85 30 88 87 86 85 30 88 87 86 85 30 88 /E2 2 X1274 1 X1274 W140Г W140А
25А 10А X272 1 X273 1 8 6 4 2 8 6 4 2 W400К 38 /E1(B) 1 /E1(B) 2 /E1(B) 3 /E1(B) 4 2 1 W140З 0.75 mm²Ч
FU7 F3 /F /E /A /C /C /C /B /B /C /C /C /E1(C) 1 /E1(C) 2 /E1(C) 3 /E1(C) 4 X324 X324 X324 X324 X325 X325 X325 X325 X1313 8 X1313 6 X1313 4 X1313 2
9 1 3 42 43 44 7 8 18 19 4 38
5 7 6 8 X300
Б Кч X337 1 X337 2 X337 3 X337 4 E50
6 1 F3 1 2 3 4 Кч 0.75 mm² З Ж 7 X1257 1 X1257
X47 X1363 5А X20 9 X25 1 X27 3 X22 42 X22 43 X22 44 X31 7 X31 8 X22 18 X22 19 X22 4 1.00 mm² X283 X283 X283 X283 Кч З GND 1 X1259
F3 З 0.75 mm² 1.50 mm² К 1.50 mm² К 0.75 mm² 0.75 mm² 0.75 mm² Ч Кч Г ЗЖ 0.75 mm² V 7 U 1
5 7 6 8 9 11 10 12 W67А W400Д 1 X1321
Ф 0.75 mm² 0.75 mm² 0.75 mm² 0.75 mm² 0.75 mm² 1 2 S64 GND 1 X1261
0.75 mm² X170 6 X170 8 X170 10 X170 12 1.50 mm² Б W400Б W401В W401Д 30010 W400Ц 0.75 mm² О 1.50 mm² К VD1 W400Л W400C W103С 0.75 mm² С
W400Ж 9 11 10 12 Б О 15/10 Черный Коричневый Голубой Зелено-желтый W401Б W400Т W401Д 18/73 18/85 X146 1 W505 W505А W505Б W505В L 6 6 H 5 5 Ч
ОК X47 10 X47 12 1.00 mm² 2.50 mm² GND Ч Ч Ч Ч Ч 15/150 X118 1 Г 18/98 W400Е #627 Г W140Ж X1257 X1257 0.75 mm²
0.75 mm² 15010 1.00 mm² 1.00 mm² 1.00 mm² 1.00 mm² 1.00 mm² GND 1 X327 1.50 mm² К О С 1.50 mm² 0.75 mm² О 0.75 mm² #627 1 X340 0.75 mm² Г
W116 18/111 W67 W160 К ОЧ Ч W6Б W6В W6Г W6Д W6Е GND W401А W400У 30010 0.75 mm² W400Ф Г 1 X336 2 3 4 1 S33 W140Е
КчЖ Р 30010 #2097 1.00 mm² 1.00 mm² 1.00 mm² 1 X284 2 3 4 #152 18/112 W401Г Ф 0.75 mm² W140Б
1.00 mm² 0.75 mm² 18/55 20/37 W164Е W212 W212А Кч К Г Б Б 1.00 mm² 1.00 mm² Ч 15/71 #627 30010 1.50 mm² 18/90 W400И W400У 2
Подп. и дата 17/53 17/19 17/54 11/153 W2 W107А #2106 2.50 mm² Ч 2.50 mm² Ч 2.50 mm² Ч 0.75 mm² 0.75 mm² 0.75 mm² 0.75 mm² W67 W67В 0.75 mm² З 30010 #627 18/114 11/15 W401Е 8 X1323 5 X1323 2 30010 1 X1275 2 X1275
БГ #468 ГК #473 РГ #470 ОК Ч GND 15010 15010 1 X136 2 CB40 W308Ж W308Е W308И W503 W400К 11/14 T H 1 2
0.75 mm² 0.75 mm² 0.75 mm² 0.75 mm² 0.75 mm² 20/66 W6 W6А W6И 1 X1314 1 X1368 1 3 2 S122 Ч Кч С Б 0.75 mm² Ч E51
Инв. N дубл. W116К W116М W116Л W116 W116И 10/28 20/28 2.50 mm² Ч VD2 6 L 0.75 mm² 0.75 mm² 0.75 mm² 0.75 mm² W103У
1 X266 1 2 2 3 3 4 4 5 5 W6Ж Черный Коричневый Синий Белый 0.75 mm² О Ф 1.50 mm² X1323 Ф W504 W504А W504Б W504В
Взам. инв. N V8 1 X282 2 3 4 W400И #627 W401Ж1 0.75 mm²
30010 GND 1 X264 Датчик скорости #627 15/26 #628 W400Ж 15010 1 X335 GND
1 X223
1 X141
2
3
Подп. и дата GND 1 X237 GND 1 X238 GND 1 X239 GND 1 X240 18/24 18/110 15/49 18/7 2 3 4 14/85
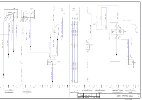
1 1 5 10 15 20 25 30 35 40 45 50 55 60 65 70 75 80 85 90 95 100 105 110 115 120 125 Выключатель к.л. КОМ 135 Электрообогреватель 145 Выключатель обогрева 155 160
130
150
140
Реле нагревателя
Инв. N подл. Переключатель корректора фар Плафон спального Реле нагревателя (ФГОТ) (топливозаборник) Реле нагревателя Датчик скорости зеркала зеркал заднего вида Электрообогреватель Лист
места
зеркала
(топливозаборник)
-
Нов. 65115.3707
Изм Лист N докум. Подп. Дата 65111-3700002-60Э3 18
Формат А4x4

