Page 1001 - Quicksilver Product Guide (2020) - 8M0163242
P. 1001

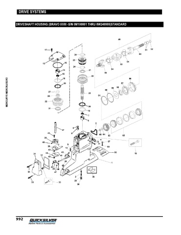
DRIVE SYSTEMS



            DRIVESHAFT HOUSING (BRAVO I/II/III -S/N 0M100001 THRU 0W249999)STANDARD






















      MERCURY® MERCRUISER®
























































            992
   996   997   998   999   1000   1001   1002   1003   1004   1005   1006