Page 1003 - Quicksilver Product Guide (2020) - 8M0163242
P. 1003

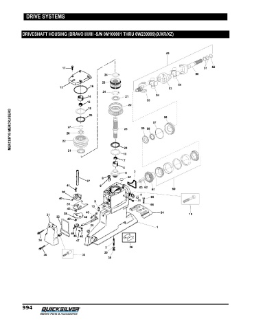
DRIVE SYSTEMS



            DRIVESHAFT HOUSING (BRAVO I/II/III -S/N 0M100001 THRU 0W239999)(X/XR/XZ)






















      MERCURY® MERCRUISER®
























































            994
   998   999   1000   1001   1002   1003   1004   1005   1006   1007   1008