Page 1005 - Quicksilver Product Guide (2020) - 8M0163242
P. 1005

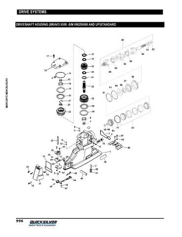
DRIVE SYSTEMS



            DRIVESHAFT HOUSING (BRAVO I/II/III -S/N 0W250000 AND UP)STANDARD






















      MERCURY® MERCRUISER®
























































            996
   1000   1001   1002   1003   1004   1005   1006   1007   1008   1009   1010