Page 1009 - Quicksilver Product Guide (2020) - 8M0163242
P. 1009

DRIVE SYSTEMS



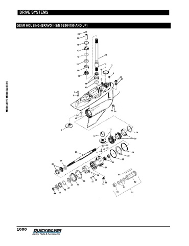
            GEAR HOUSING (BRAVO I -S/N 0B664190 AND UP)






















      MERCURY® MERCRUISER®
























































            1000
   1004   1005   1006   1007   1008   1009   1010   1011   1012   1013   1014