Page 1013 - Quicksilver Product Guide (2020) - 8M0163242
P. 1013

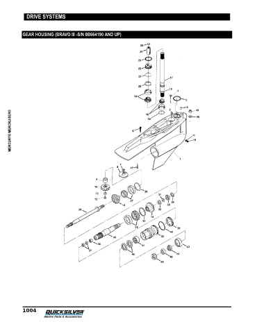
DRIVE SYSTEMS



            GEAR HOUSING (BRAVO III -S/N 0B664190 AND UP)






















      MERCURY® MERCRUISER®
























































            1004
   1008   1009   1010   1011   1012   1013   1014   1015   1016   1017   1018