Page 991 - Quicksilver Product Guide (2020) - 8M0163242
P. 991

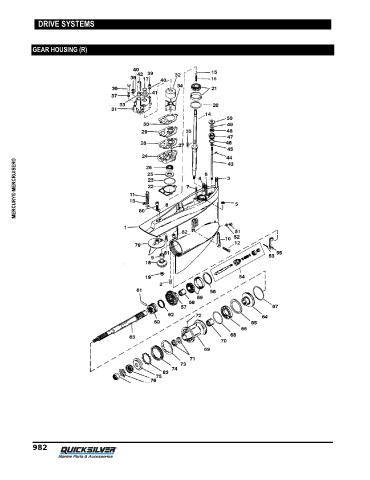
DRIVE SYSTEMS



            GEAR HOUSING (R)






















      MERCURY® MERCRUISER®
























































            982
   986   987   988   989   990   991   992   993   994   995   996