Page 987 - Quicksilver Product Guide (2020) - 8M0163242
P. 987

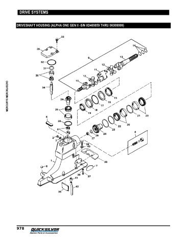
DRIVE SYSTEMS



            DRIVESHAFT HOUSING (ALPHA ONE GEN II -S/N 0D469859 THRU 0K999999)






















      MERCURY® MERCRUISER®
























































            978
   982   983   984   985   986   987   988   989   990   991   992