Page 989 - Quicksilver Product Guide (2020) - 8M0163242
P. 989

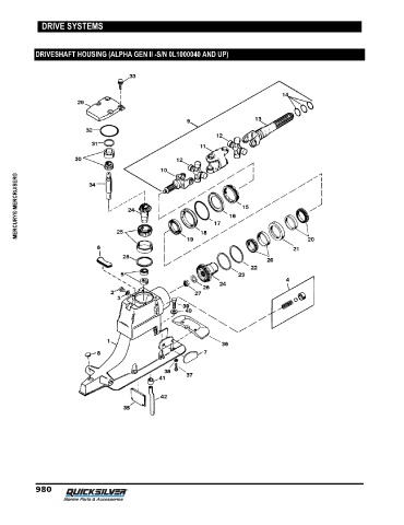
DRIVE SYSTEMS



            DRIVESHAFT HOUSING (ALPHA GEN II -S/N 0L1000040 AND UP)






















      MERCURY® MERCRUISER®
























































            980
   984   985   986   987   988   989   990   991   992   993   994