Page 190 - Installation Manual - GenII DTS
P. 190

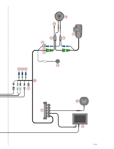
Single-Engine, Dual-Helm (SEDH) with Electric Steering (ESH) - Single Console ERC
 Helm Architecture





 16                                                                   16


 15                                                       15





 18                                                                            18

 14  17                                                14           17

 13                                           13


 12                                            12
 11                                            11







 10                                                           10
                    23 24 25

 2                   X   P  H

 1  9
                                     26
 6

                               2

 5
 4
 3


                                                                                   27
 19



                                              8
 8
 7
 20



 21                                                                                      21








 Page 6B-5.1  22
 90-8M0161677                                                                                        71176
   185   186   187   188   189   190   191   192   193   194   195