Page 201 - Installation Manual - GenII DTS
P. 201

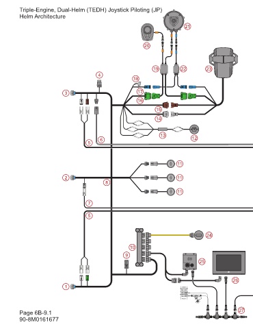
Triple-Engine, Dual-Helm (TEDH) Joystick Piloting (JP)
          Helm Architecture

                                                                                           21                                                                                                   21




                                                                       20                                                                                                    20





                                                                           19            22          23                                                                           19          22           23
                                                 4                                                                                                     4
                                                                  18                                                                                                   18



                                3                                   17                                                                                                    17
                                                                    16                                                                                                    16
                                                                            15                                                                                                     15
                                                                                                                                                     X
                                                                            14                                                                      28                             14



                                                                               13                                                                                                   13
                                                 6                                            12                                                                                                    12
                                            5




                                                                                       11


                                2                                                      11                                                                       30
                                                    8

                                                                                       11
                                                                                                                                                     X
                                            7                                                                                                       28
                                                                                                                                                                                                               31
                                            5




                                                                                                     24


                                                                10                                                                                                  10
                                                              9
                                                                                                  25                                                28 29
                                                                                                                                                     X    H
                                                                                                                                                                                                                   26

                                                                                                                  26
                                1





          Page 6B-9.1                                                                                                27
          90-8M0161677                                                                                                                                                                                                           71180
   196   197   198   199   200   201   202   203   204   205   206