Page 205 - Installation Manual - GenII DTS
P. 205

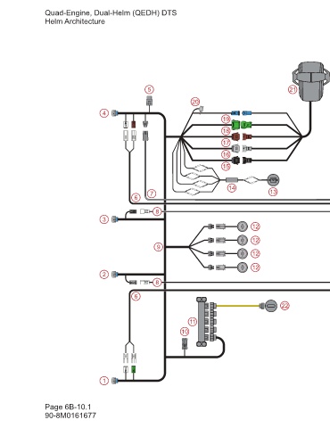
Quad-Engine, Dual-Helm (QEDH) DTS
                  Helm Architecture














                                                        5                                                   21                                                 5                                                    21

                                                                        20                                                                                                     20

                                       4
                                                                                    19                                                                                                     19

                                                                                    18                                                                                                     18
                                                                                                                                                            X
                                                                                    17                                                                                                     17
                                                                                                                                                            23
                                                                                    16                                                                                                     16

                                                                                    15                                                                                                     15

                                                                                                                                                            23
                                                                                                                                                            X
                                                                                      14                                                                                                     14
                                                         7                                           13                                                                                                      13
                                                   6
                                                           8
                                       3
                                                                                               12

                                                                                               12
                                                           9                                                                                                           25
                                                                                               12

                                                                                               12
                                       2
                                                           8

                                                   6
                                                                                                         22
                                                                                                                                                            X
                                                                                                                                                            23
                                                                       11                                                                                                  11
                                                                    10


                                                                                                                                                            23 24
                                                                                                                                                            X    H




                                       1



                  Page 6B-10.1
                  90-8M0161677                                                                                                                                                                                                           71183
   200   201   202   203   204   205   206   207   208   209   210