Page 207 - Installation Manual - GenII DTS
P. 207

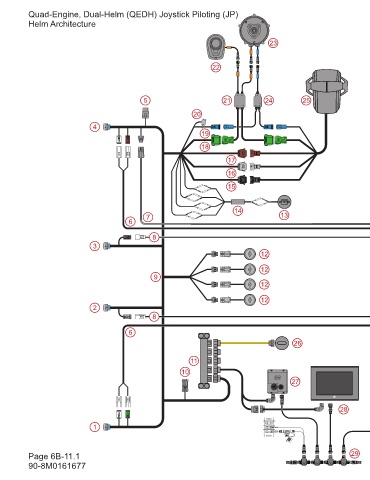
Quad-Engine, Dual-Helm (QEDH) Joystick Piloting (JP)
          Helm Architecture


                                                                                          23                                                                                                      23



                                                                       22                                                                                                      22





                                                 5                         21            24          25                                                 5                         21            24           25

                                                                 20                                                                                                     20

                                4
                                                                    19                                                                                                     19

                                                                    18                                                                                                     18
                                                                                                                                                     X
                                                                            17                                                                                                      17
                                                                                                                                                    30
                                                                            16                                                                                                      16

                                                                            15                                                                                                      15

                                                                                                                                                    30
                                                                                                                                                     X
                                                                               14                                                                                                     14
                                                 7                                            13                                                                                                     13
                                            6
                                                   8
                                3
                                                                                       12

                                                                                       12
                                                    9                                                                                                           32
                                                                                       12

                                                                                       12                                                                                                                      33
                                2
                                                   8

                                            6
                                                                                                  26
                                                                                                                                                     X
                                                                                                                                                    30
                                                                11                                                                                                  11
                                                             10
                                                                                                 27
                                                                                                                                                    30 31
                                                                                                                                                                                                                   28
                                                                                                                                                     X    H
                                                                                                                 28


                                1



          Page 6B-11.1                                                                                               29
          90-8M0161677                                                                                                                                                                                                           71182
   202   203   204   205   206   207   208   209   210   211   212