Page 208 - Installation Manual - GenII DTS
P. 208

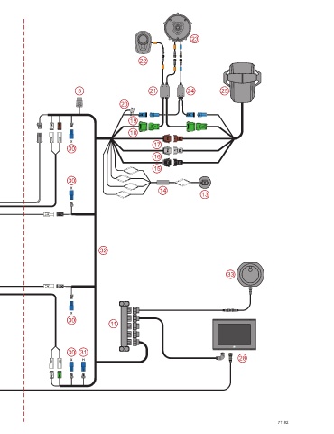
Quad-Engine, Dual-Helm (QEDH) Joystick Piloting (JP)
 Helm Architecture


 23                                                                    23



 22                                                 22





 5  21  24  25                5                         21            24          25

 20                                          20

 4
 19                                              19

 18                                              18
                           X
 17                                                      17
                          30
 16                                                      16

 15                                                      15

                          30
                           X
 14                                                         14
 7  13                                                                     13
 6
 8
 3
 12

 12
 9                                    32
 12

 12                                                                                 33
 2
 8

 6
 26
                           X
                          30
 11                                      11
 10
 27
                          30 31
                                                                                         28
                           X   H
 28


 1



 Page 6B-11.1  29
 90-8M0161677                                                                                          71182
   203   204   205   206   207   208   209   210   211   212   213