Page 39 - เอกสารหลักสูตรสรรพาวุธเบื้องต้น วิชาระบบการรบและระบบเครื่องควบคุมการยิงแบบเรดาร์
P. 39
ี่
่
่
ิ
้
้
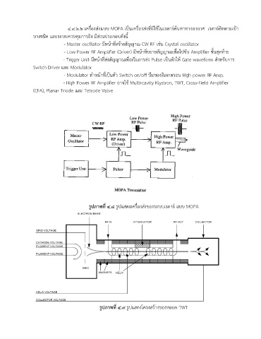
๔.๙.๒.๒ เครื่องสงแบบ MOPA เป็นเครื่องสงทมีใชในเรดาร์คนหาทางอากาศ เรดาร์ตดตามเปูา
บางชนิด และระบบควบคุมการยิง มีส่วนประกอบดังนี้
- Master oscillator มีหน้าที่สร้างสัญญาณ CW RF เช่น Crystal oscillator
- Low Power RF Amplifier (Driver) มีหน้าที่ขยายสัญญาณเพื่อไปขับ Amplifier ขั้นสุดท้าย
- Trigger Unit มีหน้าที่ส่งสัญญาณเพื่อเริ่มการส่ง Pulse เป็นตัวให้ Gate waveform ส าหรับการ
Switch Driver และ Modulator
- Modulator ท าหน้าที่เป็นตัว Switch on/off บีมของอิเลกตรอน High power RF Amp.
- High Power RF Amplifier อาจใช้ Multi-cavity Klystron, TWT, Cross-Field Amplifier
(CFA), Planar Triode และ Tetrode Valve
รูปภาพที่ ๔.๘ รูปแสดงเครื่องส่งของระบบเรดาร์ แบบ MOPA
รูปภาพที่ ๔.๙ รูปแสดงโครงสร้างของหลอด TWT

