Page 38 - Dometic RM Series Refrigerators Service Manual
P. 38

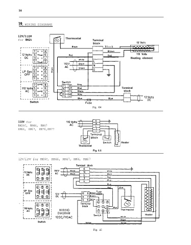
38



                 WIRING DIAGRAMS




                                            Thermostat
             for                                              Terminal
                                                                                          12
                                                                      B l a c k

                                                                                          110 Volts
                                                                                      Heating element










                                                                                 Terminal
                                                                                  block



                     Switch
                                                              Fig.




                  for
             RM36C,  RM46,  RM47
             RM66,  RM67,  RM76,RM77




                                                                                Heater
                                                    Thermostat
                                                              Fig. 6.5

             l2V/llOV for RM36C, RM46, RM47, RM66, RM67

                                                   Terminal block

                                     AC





                ‘LP Gos
                  OFF





                                        WIRING
                                       DIAGRAM                                                  Heater


                          Switch

                                                              Fig.
   33   34   35   36   37   38   39   40   41   42   43