Page 985 - Quicksilver Product Guide (2020) - 8M0163242
P. 985

DRIVE SYSTEMS


                                                     DRIVE SYSTEMS


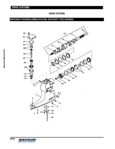
            DRIVESHAFT HOUSING (R/MR/ALPHA ONE -S/N 6225577 THRU 0D469858)



















      MERCURY® MERCRUISER®
























































            976
   980   981   982   983   984   985   986   987   988   989   990