Page 36 - Unit2.docx
P. 36
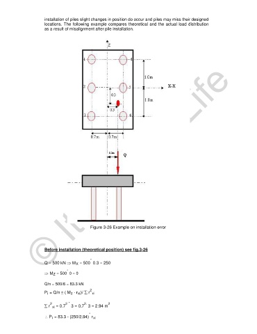
installation of piles slight changes in position do occur and piles may miss their designed
locations. The following example compares theoretical and the actual load distribution
as a result of misalignment after pile installation.
© It's Engg. Life
Figure 3-26 Example on installation error
Before installation (theoretical position) see fig.3-26
Q = 500 kN ⇒ M X = 500 0.3 = 250
⇒ M Z = 500 0 = 0
Q/n = 500/6 = 83.3 kN
2
P i = Q/n ± ( M z ⋅ r xi )/ ∑ r xi
2
2
2
2
∑ r xi = 0.7 3 = 0.7 3 = 2.94 m
∴ P i = 83.3 - (250/2.94) r xi

