Page 193 - Robot Design Handbook ROBOCON Malaysia 2019
P. 193

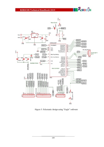
Figure 5: Schematic design using “Eagle” software














                                                            189
   188   189   190   191   192   193   194   195   196   197   198