Page 156 - Installation Manual - GenII DTS
P. 156

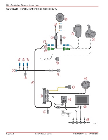
Helm Architecture Diagrams: Single Helm
        SESH ESH ‑ Panel Mount or Single Console ERC






                                                                          16

                                                               15





                                                                                  18

                                                           14           17
                                                                                                          19
                                                  13

                                                    12

                                                    11





                       2   3   4
                       X   P    H
                                                                 10


                1

                                                                   9
                             5                                                                   20


                                      6

                                                                                   21




                                               8

                                                                               22



                                                                                                23

                                                   7




                                                                                                   24

                                                                                                          71157





        Page 6A-6                        © 2021 Mercury Marine                      90-8M0161677 eng MARCH 2021
   151   152   153   154   155   156   157   158   159   160   161