Page 74 - Installation Manual - GenII DTS
P. 74
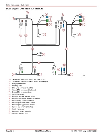
Helm Harnesses - Multi-Helm
Dual‑Engine, Dual‑Helm Architecture
3
4 3 4
5 5
1
6 6
7 7
X
8
9 10 11 11
12 13
14
9
15
16 X H
8
2 17 17
72190
1 - 14‑pin data harness connector (to port engine)
2 - 14‑pin data harness connector (to starboard engine)
3 - Gauge power relay
4 - Warning horn
5 - Blue ERC connector (CAN P)
6 - Green ERC connector (starboard)
7 - Brown ERC connector (port
8 - CAN X terminators
9 - Multiple helm link harness (outer)
10 - Multiple helm gauge power link harness
11 - Lanyard stop switch connectors
12 - Dual‑engine, lower‑helm harness
13 - Dual‑engine, upper‑helm harness
14 - Ignition key switch connectors
15 - CAN H terminator
16 - Accessory power connector
17 - Junction box connector
Page 3B-12 © 2021 Mercury Marine 90-8M0161677 eng MARCH 2021

