Page 102 - REPOWER REFERENCE GUIDE (2020)
P. 102
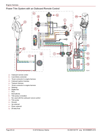
Engine Harness
Power Trim System with an Outboard Remote Control
e
h
g m
BLK/GRN YEL/WHT PPL/BLK i
a
BLK/GRN
GRA/RED
PPL/BLK j
BLK/GRN
f PPL/BLK
WHT/ORN
ORN/PNK
A PPL/BLK
B BLK/GRN BRN/PNK
C WHT/ORN
D GRA/RED
E YEL/WHT
F
G ORN/PNK BLK
H BRN/PNK
J K BLK RED BLK BLK
BLK
RED/PPL BLU/WHT GRN/WHT M L BLU/BLK k GRN/WHT BLU/WHT
GRN/BLK
GRN/WHT
P N RED n
R LT BLU/WHT
b S GRN/BLK GRN/WHT LT BLU/WHT
RED BLU/BLK RED
d l o
A B C
c P
BLU/WHT GRN/WHT M L p
RED N
K
GRN/WHT J
BLU/WHT H
G q
F
E GRN/WHT BLU/WHT RED/PPL
D RED
C
B
RED A 58241
a - Outboard remote control
b - 3‑pin Molex connector
c - 14‑pin connector to engine harness
d - Outboard ignition harness
e - Transom harness
f - 16‑pin connector to engine harness
g - Steering
h - Digital trim
i - Pitot
j - MerCathode
k - Trim pump connection
l - Not used with the outboard remote control
m - Trim pump
n - Ground
o - Up solenoid
p - Down solenoid
q - 20‑amp fuse
Page 4D-22 © 2019 Mercury Marine 90-8M0149179 eng NOVEMBER 2018

