Page 101 - REPOWER REFERENCE GUIDE (2020)
P. 101
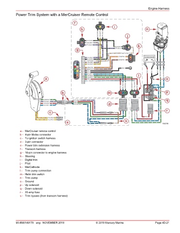
Engine Harness
Power Trim System with a MerCruiser Remote Control
f
i
h n
BLK/GRN YEL/WHT PPL/BLK j
BLK/GRN
GRA/RED
PPL/BLK k
BLK/GRN
g PPL/BLK
WHT/ORN
ORN/PNK
A PPL/BLK
B BLK/GRN BRN/PNK
C WHT/ORN
D GRA/RED
E YEL/WHT
F
G ORN/PNK BLK
H BRN/PNK
J BLK RED BLK
K BLK BLK
L BLU/BLK GRN/WHT BLU/WHT
M GRN/BLK l
a N P GRN/WHT o
RED
R LT BLU/WHT
S
RED BLU/BLK GRN/BLK GRN/WHT LT BLU/WHT RED
b m p
GRN/WHT PPL/WHT q
PPL/WHT RED
RED/WHT GRN d
DK BLU/WHT
BLU/WHT
r
c TAN
GRN/WHT BLU/WHT RED/PPL
YEL/RED RED
YEL/RED s
e TAN 58236
a - MerCruiser remote control
b - 4‑pin Molex connector
c - To ignition switch harness
d - 3‑pin connector
e - Power trim extension harness
f - Transom harness
g - 16‑pin connector to engine harness
h - Steering
i - Digital trim
j - Pitot
k - MerCathode
l - Trim pump connection
m - Helm trim switch
n - Trim pump
o - Ground
p - Up solenoid
q - Down solenoid
r - 20‑amp fuse
s - Trim bypass (from transom harness)
90-8M0149179 eng NOVEMBER 2018 © 2019 Mercury Marine Page 4D-21

