Page 166 - Installation Manual - GenII DTS
P. 166

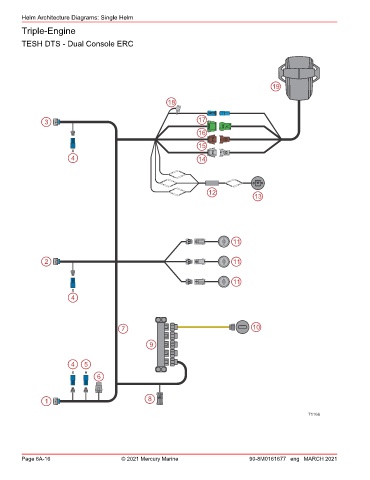
Helm Architecture Diagrams: Single Helm
        Triple‑Engine

        TESH DTS ‑ Dual Console ERC







                                                                                           19

                                                         18


                3                                                  17

                                                                   16
                                                                   15
                         X
                         4                                         14





                                                                      12
                                                                                     13







                                                                              11


                2                                                             11


                                                                              11

                         X
                         4




                                         7                                           10

                                                  9


                         4   5
                         X   H
                                 6



                1                                 8

                                                                                                       71166







        Page 6A-16                       © 2021 Mercury Marine                      90-8M0161677 eng MARCH 2021
   161   162   163   164   165   166   167   168   169   170   171