Page 170 - Installation Manual - GenII DTS
P. 170

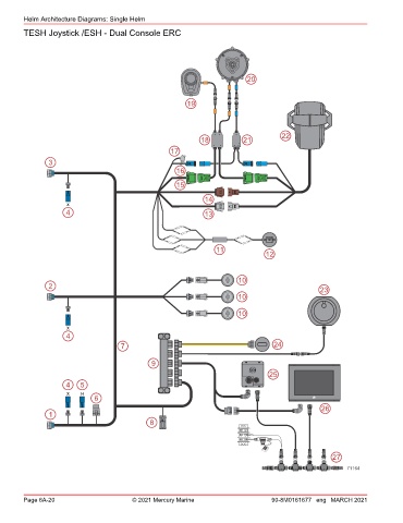
Helm Architecture Diagrams: Single Helm
        TESH Joystick /ESH ‑ Dual Console ERC







                                                                            20



                                                          19




                                                                                       22
                                                              18           21
                                                     17
                3
                                                       16
                                                       15

                                                               14
                     X
                     4                                         13




                                                                   11
                                                                                  12



                                                                         10
                2                                                                                 23
                                                                         10


                                                                         10

                     X
                     4
                                      7                                             24

                                               9
                                                                                   25
                     4   5
                     X    H
                              6
                                                                                                   26
                1
                                               8





                                                                                                      27
                                                                                                          71164




        Page 6A-20                       © 2021 Mercury Marine                      90-8M0161677 eng MARCH 2021
   165   166   167   168   169   170   171   172   173   174   175