Page 172 - Installation Manual - GenII DTS
P. 172

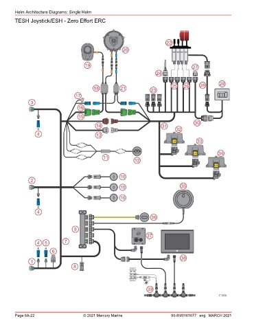
Helm Architecture Diagrams: Single Helm
        TESH Joystick/ESH ‑ Zero Effort ERC





                                                                                 22
                                                            20



                                          19                                                  27
                                                                            24



                                              18           21             23        25    26     28        29
                                     17
                3
                                       16
                                       15
                                                                                               30
                                               14                              31
                   X                                                                  32
                   4                           13
                                                                                                33
                                                                                    LCM
                                                                                                          34
                                                                                              LCM
                                                   11
                                                                  12
                                                                                                        LCM

                                                           10
                2
                                                           10                           35


                                                           10

                   X
                   4
                                                                          36


                                     9
                                                                        37
                   4   5        7
                   X   H
                          6
                                                                                        38
                1
                                    8





                                                                        39
                                                                                                          71165




        Page 6A-22                       © 2021 Mercury Marine                      90-8M0161677 eng MARCH 2021
   167   168   169   170   171   172   173   174   175   176   177