Page 174 - Installation Manual - GenII DTS
P. 174

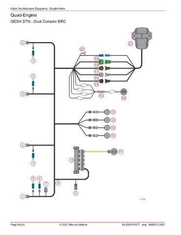
Helm Architecture Diagrams: Single Helm
        Quad‑Engine

        QESH DTS ‑ Dual Console ERC







                4                                                                       21

                                                       20


                       X                                         19
                       5
                                                                 18
                                                                 17
                       5
                       X                                         16
                                                                 15


                3
                                                                    13
                                                                                    14



                                                                            12


                                                                            12

                                                                            12

                                                                            12


                2

                                                                                  11


                       X                        10
                       5




                       5   6
                       X   H            8
                               7


                                                    9
                1
                                                                                               71170








        Page 6A-24                       © 2021 Mercury Marine                      90-8M0161677 eng MARCH 2021
   169   170   171   172   173   174   175   176   177   178   179