Page 246 - Installation Manual - GenII DTS
P. 246
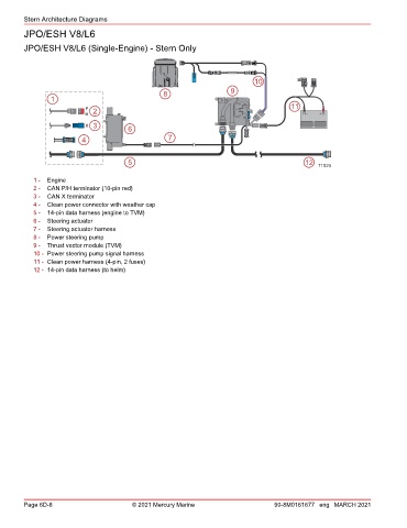
Stern Architecture Diagrams
JPO/ESH V8/L6
JPO/ESH V8/L6 (Single‑Engine) ‑ Stern Only
10
8 9
1
11
P 2
H
X 3
6
4 7
5 12
71520
1 - Engine
2 - CAN P/H terminator (10‑pin red)
3 - CAN X terminator
4 - Clean power connector with weather cap
5 - 14‑pin data harness (engine to TVM)
6 - Steering actuator
7 - Steering actuator harness
8 - Power steering pump
9 - Thrust vector module (TVM)
10 - Power steering pump signal harness
11 - Clean power harness (4‑pin, 2 fuses)
12 - 14‑pin data harness (to helm)
Page 6D-8 © 2021 Mercury Marine 90-8M0161677 eng MARCH 2021

