Page 171 - Robot Design Handbook ROBOCON Malaysia 2019
P. 171

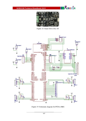
Figure 18: Smart Drive Duo-10
































































                                             Figure 19: Schematic diagram for PCB in MR1




                                                            167
   166   167   168   169   170   171   172   173   174   175   176