Page 81 - Installation Manual - GenII DTS
P. 81
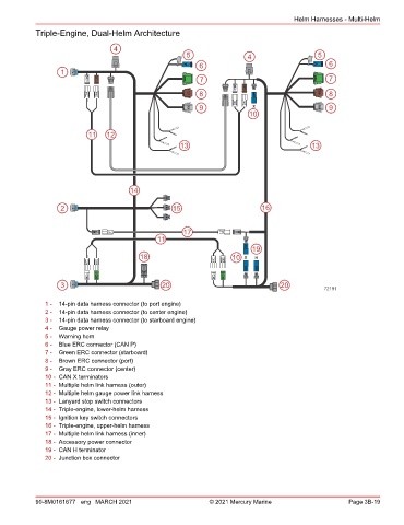
Helm Harnesses - Multi-Helm
Triple‑Engine, Dual‑Helm Architecture
4
5 4 5
6 6
1
7 7
8 8
9 X 9
10
11 12
13 13
14
2 15 16
17
11
19
18 10 X H
3 20 20
72191
1 - 14‑pin data harness connector (to port engine)
2 - 14‑pin data harness connector (to center engine)
3 - 14‑pin data harness connector (to starboard engine)
4 - Gauge power relay
5 - Warning horn
6 - Blue ERC connector (CAN P)
7 - Green ERC connector (starboard)
8 - Brown ERC connector (port)
9 - Gray ERC connector (center)
10 - CAN X terminators
11 - Multiple helm link harness (outer)
12 - Multiple helm gauge power link harness
13 - Lanyard stop switch connectors
14 - Triple‑engine, lower‑helm harness
15 - Ignition key switch connectors
16 - Triple‑engine, upper‑helm harness
17 - Multiple helm link harness (inner)
18 - Accessory power connector
19 - CAN H terminator
20 - Junction box connector
90-8M0161677 eng MARCH 2021 © 2021 Mercury Marine Page 3B-19

