Page 93 - Installation Manual - GenII DTS
P. 93
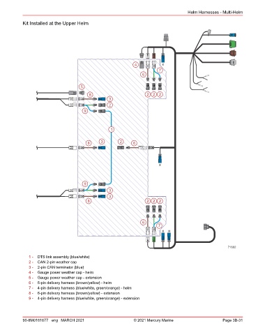
Helm Harnesses - Multi-Helm
Kit Installed at the Upper Helm
4 X
7
6
5
8 2 2 2
3
2
9
1
8 3 2 6
X
9
3
3
8 2 2 2
6
7
X H
71682
1 - DTS link assembly (blue/white)
2 - CAN 2‑pin weather cap
3 - 2‑pin CAN terminator (blue)
4 - Gauge power weather cap ‑ helm
5 - Gauge power weather cap ‑ extension
6 - 6‑pin delivery harness (brown/yellow) ‑ helm
7 - 4‑pin delivery harness (blue/white, green/orange) ‑ helm
8 - 6‑pin delivery harness (brown/yellow) ‑ extension
9 - 4‑pin delivery harness (blue/white, green/orange) ‑ extension
90-8M0161677 eng MARCH 2021 © 2021 Mercury Marine Page 3B-31

