Page 103 - APPLIED PROCESS DESIGN FOR CHEMICAL AND PETROCHEMICAL PLANTS, Volume 1, 3rd Edition
P. 103
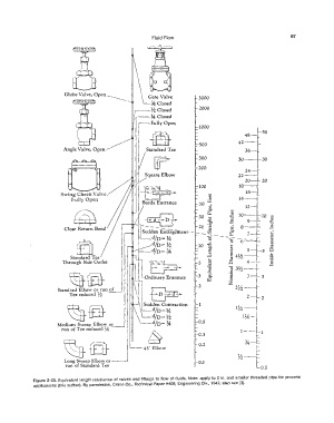
Fluid Flow 87
Gate Valve 3000
� Closed
,----'h Closed 2000
M Closed
Fully Open
1000
50
48
42
500
Angle Valve, Open 36
300 30---i-30
200
I Square Elbow 22 �
-: 20
100 18
Swing Check Valve, ... 6
�
fully Open � � 14--.
Borda Entrance 50 iz
@
Close Return Bend
tBJ
Standard Tee
Through Side Outlet
Standard Elbow or run of
Tee reduced Vz 2 2
I
l}h--j
I
I� i
0.5 1
Medium Sweep Elbow or
run of Tee reduced ;4
i 0.3 1-l-1
l-
¥J-E
�:,p@,J 45· Elbow ., Vi !-
0.2
r
'
run of Standard Tee to.s
Figure 2-20. Equivalent length resistance of valves and fittings to flow of fluids. Note: apply to 2 in. and smaller threaded pipe for process
applications (this author). By permission, Crane Co., Technical Paper #409, Engineering Div., 1942, also see [3).

