Page 83 - REPOWER REFERENCE GUIDE (2020)
P. 83
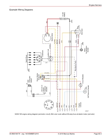
Engine Harness
Example Wiring Diagrams
12 Volt Battery
+ –
RED
Ground
Battery Alternator
Starter Motor
R S
YEL/RED BRN/WHT RED/PUR ORN BLK BLK PUR RED/PUR
PUR/YEL Water
Distributor Ignition Coil C Temperature Sender
Spark Plugs + –
Resistance Wire
GRY
YEL/RED
Interrupter Slave Starter Solenoid YEL/RED Circuit Breaker
Shift Switch RED/PUR
Ground on Starter Solenoid Bracket
GRY BLK Oil Pressure Sender
GRY
BLK
7
8
6
10
1 5 BRN/WHT RED/PUR LT BLU YEL/RED Engine Harness
4 ORN GRY BLK TAN PUR
2 3
10 6 4 8 2 1 3 5 7 48527
MCM 165 engine wiring diagram (ammeter circuit); BIA color code without 90-amp fuse at starter motor (red wire)
90-8M0149179 eng NOVEMBER 2018 © 2019 Mercury Marine Page 4D-3

