Page 84 - REPOWER REFERENCE GUIDE (2020)
P. 84

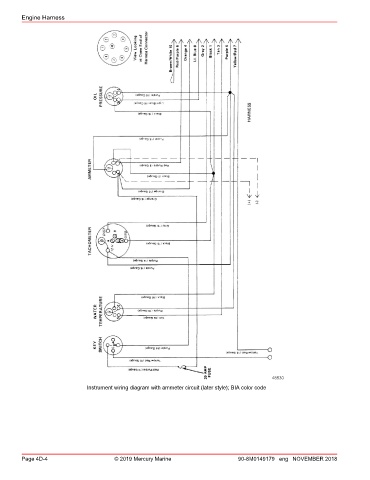
Engine Harness









































































                                                                                           48530
                              Instrument wiring diagram with ammeter circuit (later style); BIA color code













        Page 4D-4                      © 2019 Mercury Marine                    90-8M0149179 eng NOVEMBER 2018
   79   80   81   82   83   84   85   86   87   88   89