Page 253 - Installation Manual - GenII DTS
P. 253
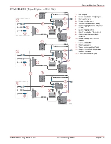
Stern Architecture Diagrams
JPO/ESH 450R (Triple‑Engine) ‑ Stern Only
1 - Port engine
4 2 - Center (starboard inner) engine
5 3 - Starboard engine
1 4 - Power steering pump
6 7 5 - 14‑pin data harness (to helm)
6 - Engine rigging harness (14‑pin to
P 8 9 21‑pin)
10 7 - Engine rigging center
X 12 8 - CAN P terminator (10‑pin blue)
11 9 - Clean power harness (4‑pin,
30‑amp)
13
10 - Power steering pump signal
harness
4
11 - CAN X terminator
12 - Steering actuator
13 - Thrust vector module (TVM)
14 - Gray (no CAN P/H) 14‑pin data
14
2 harness (to helm)
15 - CAN link harness (10‑pin)
6 7
9 8
P 10
X 12
11
13
15 4
5
3
6 7
9
10
X 12
11
13
72168
90-8M0161677 eng MARCH 2021 © 2021 Mercury Marine Page 6D-15

