Page 87 - Installation Manual - GenII DTS
P. 87
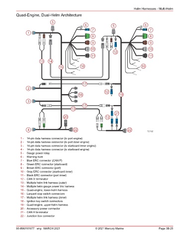
Helm Harnesses - Multi-Helm
Quad‑Engine, Dual‑Helm Architecture
5
6 5 6
7 7
1
8 8
9 9
10 X 10
12
11 11
13 14
15 16 16
17
2
12
18 X 19
3
17
13
21
20 12 X H
4 22 22
72192
1 - 14‑pin data harness connector (to port engine)
2 - 14‑pin data harness connector (to port inner engine)
3 - 14‑pin data harness connector (to starboard inner engine)
4 - 14‑pin data harness connector (to starboard engine)
5 - Gauge power relay
6 - Warning horn
7 - Blue ERC connector (CAN P)
8 - Green ERC connector (starboard)
9 - Brown ERC connector (port)
10 - Gray ERC connector (starboard inner)
11 - Black ERC connector (port inner)
12 - CAN X terminator
13 - Multiple helm link harness (outer)
14 - Multiple helm gauge power link harness
15 - Quad‑engine, lower‑helm harness
16 - Lanyard stop switch connectors
17 - Multiple helm link harness (inner)
18 - Ignition key switch connectors
19 - Quad‑engine, upper‑helm harness
20 - Accessory power connector
21 - CAN H terminator
22 - Junction box connector
90-8M0161677 eng MARCH 2021 © 2021 Mercury Marine Page 3B-25

